Generate schemdraw diagrams from YAML files or Python dictionaries.
pip install yaml-to-schemdraw
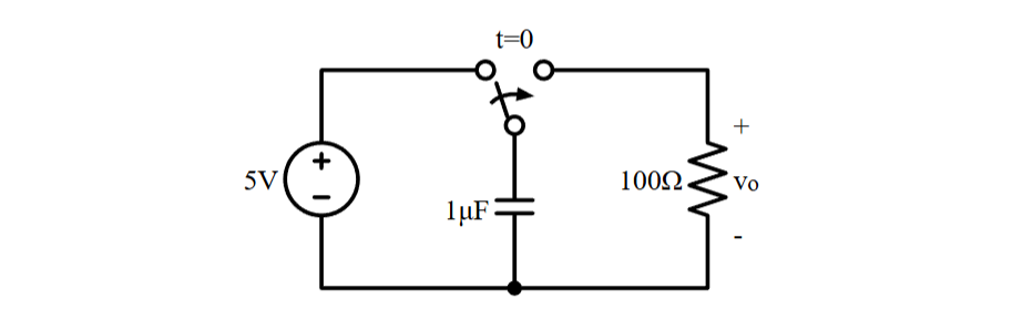
The following YAML spec:
V1:
- elements.SourceV
- label: ["5V"]
line1:
- elements.Line
- right: [0.75]
S1:
- elements.SwitchSpdt2: [{ action: close }]
- up
- anchor: ["b"]
- label: ["$t=0$", { loc: rgt }]
line2:
- elements.Line
- right: [0.75]
- at: ["S1.c"]
R1:
- elements.Resistor
- down
- label: ["$100\\Omega$"]
- label: [["+", "$v_o$", "-"], { loc: bot }]
line3:
- elements.Line
- to: ["V1.start"]
C1:
- elements.Capacitor
- at: ["S1.a"]
- toy: ["V1.start"]
- label: ["1$\\mu$F"]
- dotRepresents the equivalent Python code:
with schemdraw.Drawing() as d:
V1 = elm.SourceV().label('5V')
elm.Line().right(d.unit*.75)
S1 = elm.SwitchSpdt2(action='close').up().anchor('b').label('$t=0$', loc='rgt')
elm.Line().right(d.unit*.75).at(S1.c)
elm.Resistor().down().label(r'$100\Omega$').label(['+','$v_o$','-'], loc='bot')
elm.Line().to(V1.start)
elm.Capacitor().at(S1.a).toy(V1.start).label(r'1$\mu$F').dot()And can be loaded with this library as follows:
from yaml_to_schemdraw import from_yaml_file
# "from_yaml_string" and "from_dict" are also available
diagram = from_yaml_file("diagram.yaml")You can now call diagram.draw() or diagram.save("diagram.svg") as usual.
Schemdraw was always intended to be used as a Python library, with developers manually writing diagrams in code.
However, when it comes to accepting diagram definitions provided by clients through the network or originating from an untrusted environment, the naive approach of running arbitrary Python code with a function like exec() poses a significant security risk.
This module proposes an alternative, declarative way to represent Schemdraw diagrams as a YAML file or a Python dictionary.
The module parses the dictionary and resolves the function calls against the schemdraw library.
Internally, it uses getattr() to resolve function calls, with an attribute allowlist to prevent module escalation.
It can easily and safely parse most of the schemdraw circuit gallery.
If you encounter any valid diagrams that cannot be parsed (or easily adapted into something that this module can parse), please open an issue.
