QRP T-match Antenna Tuner
-
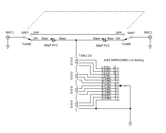
Schematic Diagram
-
CASE Construction (TAKACHI TD Series TD7-10-3B)
-
./case/QRP_ANT_TUNER2_case_TD7-10-3B.dxf
-
Drilling
- ./case/QRP_ANT_TUNER2_drill.dxf
-
Printing
- ./case/QRP_ANT_TUNER2_print.svg
- ./case/QRP_ANT_TUNER2_print.pdf
-
-
Bill of material
- QRP_ANT_TUNER2_bom.csv
-
Description Blog
Copyright (C) 2022 JJ1LFO@jarl.com
Permission is granted to copy, distribute and/or modify this document
under the terms of the GNU Free Documentation License, Version 1.3
or any later version published by the Free Software Foundation;
with no Invariant Sections, no Front-Cover Texts, and no Back-Cover Texts.
A copy of the license is "LICENSE.txt".

